長江三角洲區域醫療器械注冊人制度試點工作實施方案(試行)(滬藥監械管〔2019〕112號)
為深入貫徹落實中共中央辦公廳、國務院辦公廳印發的《關于深化審評審批制度改革鼓勵藥品醫療器械創新的意見》(廳字〔2017〕42號),按照國家藥品監督管理局《關于擴大醫療器械
來源:醫療器械注冊代辦 發布日期:2019-04-11 閱讀量:次
附件:牙科車針注冊技術審查指導原則(2019年第16號).doc
本指導原則旨在為申請人進行牙科車針注冊申報提供技術指導,同時也為藥品監督管理部門對注冊申報資料的審評提供技術參考。
本指導原則是對牙科車針注冊申報資料的一般要求, 申請人應依據具體產品的特性對注冊申報資料的內容進行充實和細化,并依據具體產品的特性確定其中的具體內容是否適用,若不適用,需具體闡述其理由及相應的科學依據。
本指導原則是對申請人和審查人員的指導性文件, 但不包括注冊審批所涉及的行政事項, 亦不作為法規強制執行, 如果有能夠滿足相關法規要求的其他方法, 也可以采用, 但是需要提供詳細的研究資料和驗證資料。 應在遵循相關法規和標準的前提下使用本指導原則。
本指導原則是在現行法規和標準體系以及當前認知水平下制定的,隨著法規和標準的不斷完善, 以及科學技術的不斷發展,本指導原則相關內容也將進行適時的調整。
本指導原則的適用范圍為《醫療器械分類目錄》中的 17 口腔科器械 -04 口腔科治療器具;按照第二類醫療器械管理。
牙科或者口腔科臨床使用車針,主要用來切削牙體組織,以達到去除病變組織,或者治療鉆孔或制備牙體,以符合臨床進一步治療和恢復牙體外形的需要,牙科車針既可以用于臨床,也可用于牙科技工室;參照《關于氧氣流量計等產品分類界定的通知》(國食藥監械〔 2003〕310 號)中 “五、金剛砂(玻璃砂):用于牙科技工室打磨鑄件的表面。不作為醫療器械管理。”的規定,專用于技工室的,或臨床醫生也使用但只用來磨改牙科各類修復體的車針不作為醫療器械產品或僅作為第一類醫療器械產品管理,不適用于本指導原則。
(一)產品名稱要求
從牙科學的角度看,車針屬牙科旋轉器械大類的一個分類,其命名應符合 ISO 標準旋轉器械的分類及編碼系統的要求, 同時應符合《醫療器械通用名稱命名規則》 (國家食品藥品監督管理總局令第 19 號)、《醫療器械分類目錄》 、國家標準或行業標準上的通用名稱為依據命名。產品名稱可以為車針、金剛砂車針、 鋼質車針和硬質合金車針。
型號應根據主要材質、 形態和驅動方式不同命名, 如高速鎢鋼球形車針、低速金剛砂輪形車針、低速不銹鋼柱形車針、 切盤等。盡量減少用球鉆、裂鉆等這樣的簡稱。

圖 1 高速金剛砂車針

圖 2 低速鎢鋼車針

圖 3 低速鎢鋼車針
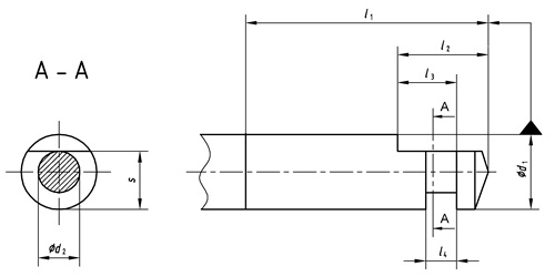
(二)產品的結構和組成
牙科車針主要由兩部分組成:工作部分和連接的柄,如圖 4所示。

圖 4 金剛砂車針( L 1 為工作部分, L 2 為柄部,相連接部分為頸部)
1.柄的類型:車針的柄又稱桿,主要包括:低速彎手機連接的類型 1,高速手機連接的類型 3,和與低速直手機連接的類型2 和 4,如圖 5。

類型 1 桿

類型 2 和 4 類型 3

圖 5 桿的類型
柄的材料一般采用不銹鋼制成,也有用塑料的、陶瓷的。醫療器械行業對這三個類型的桿均有相應的標準。
2.工作部分
工作部分是牙科車針的主體, 車針材質分為硬質合金、 不銹鋼和金剛石。工作部分的形態分為球形、柱形、錐形、倒錐形、輪形、梨形、火焰形等, 其形態和尺寸均有相應的標準明確規定,允許注冊申請人根據臨床的需求增加開發和設計新的形態和尺寸的工作部分。
(三)產品工作原理 /作用機理
牙科車針是一種口腔治療用旋轉器械, 不可獨立使用, 必需與牙科手機連接方可應用, 與手機連接部分即為其柄或桿, 柄或桿與手機的連接的方式分卡扣式和摩擦式。類型 1 柄為卡扣式,其他類型均為摩擦式。
車針工作方式主要分為刃切削和磨料切削。 刃切削的材料主要為硬質合金和不銹鋼, 而磨料切削目前主要為天然金剛石粉或金剛砂粉。
加工切削刃需要采取機械加工、 研磨和熱處理, 切削刃的形狀、數量和深度決定了切削的效率。 而磨料切削是通過結合劑將磨料與基底材料結合到一起, 通常的基底材料為不銹鋼, 磨料顆粒大小的不同產生不同的切削效果。
(四)注冊單元劃分的原則和實例
應根據產品的預期用途、技術結構、性能指標等進行綜合判定,產品預期用途、 技術結構、 主要性能指標基本類似的情況下,產品外觀、功能、結構形式有一定差異,原則上可作為同一注冊單元申報。
1.不同材質的車針應分成不同的注冊單元,金剛砂車針與非金剛砂車針應分成不同注冊單元;
2.工作部分形態不同的車針可劃分為一個注冊單元;
3. 鋼質或硬質合金標準型和拋光型各有一個對應的標準, 但可以作為一個注冊單元;
4. 金剛砂車針、切盤屬于同一注冊單元。
(五)產品適用的相關標準
具體相關的常用標準列舉如下:
表 1 相關標準
| 標準編號 | 標準名稱 |
| GB/T 191—2008 | 《包裝儲運圖示標志》 |
| GB/T 9937.3—2008 | 《口腔詞匯 第3部分:口腔器械》 |
| GB/T 14233.1—2008 | 《醫用輸液、輸血、注射器具檢驗方法 第1部分:化學分析方法》 |
| GB/T 14233.2—2005 | 《醫用輸液、輸血、注射器具檢驗方法 第2部分:生物學試驗方法》 |
| YY/T 1011—2014 | 《牙科 旋轉器械-公稱直徑和標號》 |
| YY 0761.1—2009 | 《牙科旋轉器械 金剛砂車針 第1部分:尺寸、要求、標記和包裝》 |
| YY/T 0805.2—2014 | 《牙科學 金剛石旋轉器械 第2部分:切盤》 |
| YY/T 0805.3—2010 | 《牙科學 金剛石旋轉器械 第3部分:顆粒尺寸、命名和顏色代碼》 |
| YY 0302.1—2010 | 《牙科旋轉器械車針 第1部分:鋼質和硬質合金車針》 |
| YY 0302.2—2016 | 《牙科學旋轉器械車針 第2部分:修整用車針》 |
| ISO 7787-1—2016/GB/T36917.1-2018 | 《牙科 實驗室刀具 第1部分:實驗室鋼制刀具》 |
| ISO 7787-2—2000/GB/T36917.2—2018 | 《牙科旋轉器械——切割工具 第2部分:技工室用硬質合金刀具》 |
| ISO 7787-3—2017 | 《牙醫 實驗室刀具 第3部分 銑床硬質合金刀具》 |
| ISO 7787-4—2002 | 《牙科旋轉器械 切刀器 第4部分:小型硬質合金切刀》 |
| YY/T 0874—2013 | 《牙科學旋轉器械試驗方法》 |
| ISO 1797—2017 | 《牙科學 旋轉和擺動儀器支架》 |
| YY 1045.1—2009 | 《牙科手機 第1部分:高速氣渦輪手機》 |
| YY 1045.2—2010 | 《牙科手機 第2部分:直手機和彎手機》 |
| YY/T 0873.1—2013 | 《牙科旋轉器械的數字編碼系統 第1部分:一般特征》 |
| YY/T 0873.2—2014 | 《牙科 旋轉器械的數字編碼系統 第2部分:形狀》 |
| YY/T 0873.3—2014 | 《牙科 旋轉器械的數字編碼系統 第3部分:車針和刃具的特征》 |
| YY/T 0873.4—2014 | 《牙科 旋轉器械的數字編碼系統 第4部分:金剛石器械的特征》 |
| GB 18278.1—2015 | 《醫療保健產品滅菌 濕熱 第1部分:醫療器械滅菌過程的開發、確認和常規控制要求》 |
| GB 18279.1—2015 | 《醫療保健產品滅菌 環氧乙烷 第1部分:醫療器械滅菌過程的開發、確認和常規控制的要求》 |
| GB/T 18279.2—2015 | 《醫療保健產品的滅菌 環氧乙烷 第2部分:GB 18279.1應用指南》 |
| GB 18280.1—2015 | 《醫療器械保健產品滅菌 輻射 第1部分:醫療器械滅菌過程的開發、確認和常規控制要求》 |
| GB 18280.2—2015 | 《醫療保健產品滅菌 輻射 第2部分:建立滅菌劑量》 |
| GB/T 18280.3—2015 | 《醫療保健產品滅菌 輻射 第3部分:劑量測量指南》 |
| WS 310.1—2016 | 《醫院消毒供應中心 第1部分:管理規范》 |
| WS 310.2—2016 | 《醫院消毒供應中心 第2部分:清洗消毒及滅菌技術操作規范》 |
| WS 310.3—2016 | 《醫院消毒供應中心 第3部分:清洗消毒及滅菌效果監測標準》 |
| WS/T 367—2012 | 《醫療機構消毒技術規范》 |
| YY/T 0681.1—2009 | 《無菌醫療器械包裝試驗方法 第1部分:加速老化試驗指南》 |
(注:本指導原則中標準適用最新版本,下同)
上述標準包括了產品技術要求中涉及到的標準。 有的注冊申請人還會根據產品的特點引用一些行業外的標準及一些較為特殊的標準。
對產品適用及引用標準的審查可以分三步來進行。
首先對引用標準的齊全性和適宜性進行審查,也就是在編寫產品技術要求時是否引用了與產品相關的國家標準、行業標準,以及引用是否準確。此時,應注意標準編號、 標準名稱是否完整規范,年代號是否有效。
其次對引用標準的采納情況進行審查。 即所引用的標準中的條款要求, 是否在產品技術要求中進行了實質性的條款引用。 這種引用通常采用兩種方式, 文字表述繁多內容復雜的可以直接引用標準及條文號,比較簡單的也可以直接引述具體要求。
如有新版強制性國家標準、行業標準發布實施,產品性能要求中性能指標要求應執行最新版本的國家標準、行業標準。
最后對標準的內容進行審查。
(六)產品的適用范圍 /預期用途 /禁忌癥
車針由口腔科醫生使用,主要用來進行鉆、 磨和切削牙齒用,也用來磨改或磨除牙科充填物、修復體等。
(七)產品的主要風險
牙科車針的風險管理報告應符合 YY/T 0316 —2016《醫療器械風險管理對醫療器械的應用》的有關要求,審查要點包括:
1.與產品有關的安全性特征判定可參考 YY/T 0316 — 2016的附錄 C;
2.危害、可預見的事件序列和危害處境判斷可參考 YY/T0316 — 2016 附錄 E;
3.風險控制的方案與實施、綜合剩余風險的可接受性評價及生產和生產后監視相關方法可參考 YY/T 0316 — 2016 附錄 F、G、J;
4.風險可接收準則,降低風險的措施及采取措施后風險的可接收程度,是否有新的風險產生。
以下依據 YY/T 0316 — 2016的附錄 E 從多個方面列舉了牙科車針可能存在的危害因素,提示審查人員可從以下方面考慮。
表2 危害清單
| 能量危害示例 | 生物學和化學 危害示例 | 操作危害示例 | 信息危害示例 |
| 線電壓(網電源): 漏電流 -外殼漏電流; -對地漏電流; -患者漏電流。 電場; 磁場; 熱能: 高溫; 機械能: 重力 -墜落; -離心力。 振動: 運動零件; 患者的移動和定位。 | 生物學的: 細菌; 病毒; 其他微生物。 再次或交叉污染。 化學的: 工作部分接觸唾液、齦溝液和牙體組織的溶解和磨損; 材料生銹。 生物相容性: 鎳過敏反應。 | 功能: 不正確或不適當的速度輸出或功能; 不正確的測量; 功能的喪失或變壞。 使用錯誤: 不遵守規則; 缺乏知識; 違反常規。 | 標記: 不完整的使用說明書; 性能特征的不適當的描述; 不適當的預期使用規范; 限制未充分公示。 操作說明書: 醫療器械所使用的附件的規范不適當; 使用前檢查規范不適當; 過于復雜的操作說明。 警告: 副作用的警告; 一次性使用醫療器械可能再次使用的危害的警告; 服務和維護規范。 |
表3 危害、可預見的事件序列、危害處境和可發生的損害之間的關系
| 危害 | 可預見的事件序列 | 危害處境 | 損害 |
| 能量危害 | |||
| 電場 磁場 | 與車針共同使用的手機,設計不合理導致電磁場過大影響其他設備的運轉。 | 其他設備運轉故障。 | 設備故障 |
| 熱能 高溫 | 轉動部分性能不穩定或冷卻不夠可能導致摩擦高溫。 | 設備溫度太高而燙傷病人或操作者。 | 燙傷 |
| 機械能 重力、離心力 -脫落 -甩針 振動 運動零件 患者的移動和定位 | 設計不合理,采購原料不合格,生產過程失控。如:車針柄的不合標準過細,造成手機的夾持力不足或夾軸失效操作時發生車針脫落;車針的同軸度不夠,引起過大的振動或擺動。 | 錯誤的機械能或機械力施加到病人的組織。 | 機械損傷。 |
| 生物學和化學危害 | |||
| 細菌 病毒 其他微生物 | 生產環境和產品清潔未控制好導致產品受污染。 | 使用過程中細菌、病毒或其他微生物進入患者的體內。 | 細菌、病毒等感染。 |
| 消毒、清潔 | 應用部件消毒不完全傳染疾病。 | 交叉污染染。 | 傳染高致病性疾病。 |
| 殘留 | 材料所含化合物的遷移的化學劑生物學危害,清潔或消毒所用消毒劑的殘留等。 | 重金屬或有毒物質進入人體。 | 過敏或急性毒性反應。 |
| 操作危害-功能 | |||
| 功能的喪失或變壞 | 產品導致功能喪失。如金剛砂車針脫砂,鎢鋼車針斷刃等。 | 使用時導致無法正常使用。 | 治療中斷。 |
| 操作危害-使用錯誤 不遵守規則 缺乏知識 違反常規 | 錯誤的使用了產品。 | 損壞產品 或產生非預期的治療結果。 | 治療中斷或失敗。 |
| 重復使用 | 車針可重復使用,但應徹底消毒或滅菌,否則有微生物殘留。 | 微生物交叉污染。 | 傳染疾病。 |
| 信息危害-標記 | |||
| 不完整的使用說明 性能特征的不適當的描述 | 1.使用說明書、標簽等設計錯誤; 2.標簽使用錯誤。 | 給用戶在使用、操作上誤導,導致無法正常使用。 | 治療中斷或失敗。 |
| 不適當的預期使用規范 限制未充分公示 | 1.設計錯誤; 2.標簽使用錯誤。 | 給用戶在使用、操作上誤導,導致無法正常使用。 | 治療中斷或失敗。 |
| 信息危害-操作說明書 | |||
| 使用前檢查規范不適當 | 操作說明中注意事項未寫明或標記不明顯; 使用已損壞的產品; 使用了受污染的產品。 | 導致無法正常使用;或出現非預期的結果,如損傷組織,微生物污染等。 | 治療中斷或失敗。 微生物感染。 |
| 信息危害-警告 | |||
| 副作用的警告 | 禁忌癥的警告未寫明或標未不明顯; 違反禁忌癥使用了產品。 | 患者因治療發生意外。 | 患者損傷或治療失敗。 |
| 一次性使用醫療器械可能再次使用的危害的警告 | 未寫清或標示不明顯; 重復使用。 | 使用過程中細菌進入患者的體內。 | 交叉感染。 |
(八)產品的研究要求
1.醫療器械生物學研究:
因車針屬于表面接觸器械, 與損傷表面接觸, 且與人體接觸為短期接觸, 按 GB/T 16886.1 —2011,車針生物相容性建議評價以下項目:
a) 細胞毒性:應不大于 1 級;
b) 應無遲發型超敏反應;
c) 應無皮內反應。
2.生物安全性研究、動物研究、軟件研究不適用。
3.滅菌和消毒工藝研究
牙科車針如無菌供應,滅菌研究應符合 GB 18278.1—2015《醫療保健品滅菌 濕熱 第 1 部分:醫療器械滅菌過程的開發、確認和常規控制要求》 、GB 18279.1—2015《醫療保健產品滅菌環氧乙烷 第 1 部分:醫療器械滅菌過程的開發、確認和常規控制的要求》、GB/T 18279.2 —2015《醫療保健產品的滅菌 環氧乙烷 第 2 部分: GB 18279.1 應用指南》、GB18280.1—2015《醫療器械保健產品滅菌 輻射 第 1 部分:醫療器械滅菌過程的開發、確認和常規控制要求》 、GB 18280.2—2015《醫療保健產品滅菌輻射 第 2 部分:建立滅菌劑量》 、GB/T 18280.3 —2015《醫療保健產品滅菌 輻射 第 3 部分:劑量測量指南》的規定。
牙科車針如由醫療機構清洗消毒,說明書提供的清洗消毒方法應提供相應的研究資料,應符合 WS 310.1—2016《醫院消毒供應中心 第 1 部分:管理規范》 、WS 310.2 —2016《醫院消毒供應中心 第 2 部分:清洗消毒及滅菌技術操作規范》 、WS310.3—2016《醫院消毒供應中心 第 3 部分:清洗消毒及滅菌效果監測標準》及 WS/T 367 —2012 《醫療機構消毒技術規范》的要求。
4.有效期和包裝研究
無菌供應的牙科車針可參考 YY/T 0681.1 —2009 《無菌醫療器械包裝試驗方法 第 1 部分:加速老化試驗指南》進行包裝研究。
(九)產品技術要求的主要性能指標
本條款給出了牙科車針基本技術性能指標,給出了一般要求,其他性能指標注冊申請人可參考相應的國家標準、 行業標準,根據自身產品的技術特點制定相應的標準, 但不得低于相關強制性國家標準、行業標準的有關要求。
如有不適用條款(包括國家標準、行業標準要求) ,注冊申請人在研究資料的產品性能研究中必須說明理由。
牙科車針僅有質量控制指標 :
1.柄或桿的要求
車針的桿應符合 YY 0761.1—2009、YY/T 0805.2—2014、YY/T 0805.3 —2010、YY 0302.1 —2010 中的相應要求。 重點審查對尺寸和材質的要求。
2.工作部分
2.1 金剛砂車針
應符合 YY 0761.1—2009、YY/T 0805.2—2014 和 YY/T0805.3—2010 的要求。
2.2 鋼質和硬質合金車針
應符合 YY 0302.1 —2010 和 YY 0302.2 —2016 的規定。
注冊申請人對車針工作部分的要求是產品的核心, 除對該部分要求做出符合有關標準要求的規定, 并能夠實現檢測外, 應對如何實現產品的品質要求、 如何控制產品質量的關鍵點進行簡要介紹。
3.工作部分的公稱直徑與編碼
應符合 YY/T 1011 —2014 《牙科 旋轉器械 -公稱直徑和標號》的規定。即工作部分的直徑以一組三位數編碼表示,以 0.1mm為單位,如 2mm 直徑的球鉆,其公稱直徑編號即為 020,18mm直徑的金剛砂切盤,其公稱直徑編號即為 180。
4.產品編碼
注冊申請人應注明其是否采用 YY/T 0873 系列標準對自己的產品進行編碼,及如何編碼進行說明,如金剛砂車針是采用15 位還是 18 位編碼。
5.無菌(若適用)
按照 GB/T 14233.2 —2005 規定方法進行,應無菌。
6.環氧乙烷殘留(若適用)
按照 GB/T 14233.1—2008 規定方法進行,殘留量應不大于10μg/g 。
(十)同一注冊單元內注冊檢驗典型性產品確定原則和實例
典型產品應是同一注冊單元內能夠代表本單元內其他產品安全性和有效性的產品 ,應考慮技術指標及性能不改變、功能可以達到最齊全、結構最復雜、風險最高的產品。
若結構相同或相近, 一般情況下, 較為復雜的可以替代簡單的。
若牙科車針主要材質、形態和驅動方式不同 ,應分別檢測 ,如高速鎢鋼球形車針、 低速金剛砂輪形車針、 低速不銹鋼柱形車針、切盤等。
若牙科車針使用的材質、工藝基本原理、預期用途、 主要技術性能指標相同,僅工作部分的直徑和長度等尺寸的數據不同,建議抽取最常用形狀和最常用的規格型號為典型產品。
若工作部分的形態不同, 每種工作部分的形態應抽取規格型號為典型產品。
注冊申請人申請的所有型號規格均應提交注冊檢驗, 或者提供所檢驗產品能夠代表本注冊單元內其他產品的安全性、 有效性評價說明,必要時提供差異性注冊檢驗報告。
(十一)產品生產制造相關要求
車針產品的生產環境不需要特殊控制。
(十二)產品的臨床評價要求
根據《關于公布新修訂免于進行臨床試驗醫療器械目錄的通告》(國家藥品監督管理局通告 2018年第 94號,以下簡稱《目錄》)的規定,牙科車針由柄(鋼或適合的材料)和頭部工作端(鋼或硬質合金、金剛石等制成)組成,可按柄及頭部的材質、型式、尺寸等不同分為若干型號及規格; 用來切削牙體組織, 以去除病變組織,治療鉆孔或制備牙體,可以豁免臨床試驗。
注冊申請人應按《醫療器械臨床評價技術指導原則》 (國家食品藥品監督管理總局通告 2015年第 14號)的要求提交臨床評價資料,具體要求如下:
(一)提交申報產品相關信息與《目錄》所述內容的對比資料;
(二)提交申報產品與《目錄》中已獲準境內注冊醫療器械的對比說明, 對比說明應當包括 《申報產品與目錄中已獲準境內注冊醫療器械對比表》和相應支持性資料。
提交的上述資料應能證明申報產品與 《目錄》 所述的產品具有等同性。若無法證明申報產品與《目錄》產品具有等同性,則應按照《醫療器械臨床評價技術指導原則》 其他要求開展相應工作。
(十三)產品的不良事件歷史記錄
暫未收到相關不良事件報告。
(十四)產品說明書和標簽要求
產品說明書一般包括使用說明書和技術說明書,兩者可合并。說明書、標簽和包裝標識應符合 《醫療器械說明書和標簽管理規定》(國家食品藥品監督管理總局令第 6 號)及相關標準的規定。
1.說明書的內容
使用說明書的編寫還應符合 YY 0761.1 —2009、YY 1045.1—2009、YY 1045.2 —2010、YY 1045.2 —2010、YY 0837 —2011、YY 0836 —2011、GB/T 9969-2008 的相應要求:
1.1 注冊人名稱、住所、聯系方式;
1.2 產品名稱、型號、規格;
1.3 產品技術要求編號、產品注冊證號和生產許可證號;
1.4 結構原理;
1.5 性能指標;
1.6 安裝和使用方法;
1.7 注意事項;
1.8 維護和保養;
1.9 售后服務。
2.禁忌癥、注意事項、警示及提示性說明
2.1 應仔細閱讀、理解說明書中全部內容方可操作;
2.2 操作時應遵循包裝上的全部警示和說明;
2.3 本產品是特為口腔治療而制造,不能作為其他用途;
2.4 本產品與牙科手機連接使用,使用時請注意安全;
2.5 本產品僅限于專業口腔科醫生使用;
2.6 每次使用時,請預先在患者的口腔外進行運轉檢查。若發覺有松動、擺動等異常現象,請立即停止使用, 并與原經銷商聯系;
2.7 車針重復使用時,務必徹底消毒或滅菌;
2.8 發現已經磨損不鋒利的車針,應及時更換;
2.9 產品儲存和運輸應在干燥、 穩定(無摔碰)、遠離酸堿等有害化學物質及氣體的潔凈的常溫、 常壓、濕度小于 90%的環境中;
2.10 請在旋轉完全停止后, 再進行車針的裝卸, 切勿在旋轉中按壓機頭蓋;
2.11 血友病、意識不清的患者應慎用;
2.12 心臟病患者、孕婦及幼兒慎用。
3.應當在說明書中標明的其他內容
3.1 車針工作部分的材質;
3.2 桿的類型;
3.3 工作部分的形狀;
3.4 工作部分的尺寸;
3.5 批號;
3.6 有效期,若適用;
3.7 如果適用,應有 “無菌 ”字樣或符號;
3.8 車針清潔和消毒的說明;
3.9 工作的壓力和最高轉速限制提示。
4.技術說明書內容
一般包括概述、組成、原理、技術參數、規格型號、圖示標記說明、外形尺寸標記示例、使用注意事項、儲存、運輸和保管條件、編碼原則和編碼示例等。
5.標簽和包裝標識
5.1 產品內包裝上應有下列標識:
5.1.1 型號和規格;
5.1.2 工作部分的形狀;
5.1.3 編碼;
5.1.4 生產日期。
5.2 包裝箱上應有下列標志:
5.2.1 注冊人名稱、地址、郵政編碼和聯絡方式;
5.2.2 產品名稱、型號規格、數量;
5.2.3 批號或生產日期;
5.2.4 毛重和凈重;
5.2.5 體積(長 ×寬×高);
5.2.6 產品技術要求號、產品注冊號、生產許可證號;
5.2.7 “保持干燥 ”“ 避光日曬 ”等字樣或標記其圖示標志應符合 GB/T 191 —2008 和 YY/T 0466.1 —2016 中有關規定;
5.2.8 售后服務單位名稱、地址、郵政編碼和聯絡方式,箱上的字樣或標記應保證不因歷時較久而模糊不清。
(一)產品技術要求的編制要求。
該產品的安全與性能要求分別由國家標準和行業標準規定的要求進行檢查,注冊申請人根據產品的特性編寫產品技術要求。產品技術要求應符合相關的強制性國家標準、 行業標準和有關法律、法規的規定;
(二)說明書中必須告知用戶的信息是否完整;
(三)產品的主要風險是否已經列舉, 并通過風險控制措施,使產品的安全性在合理可接受的程度之內;
(四)產品的預期用途是否明確;
(五)注冊檢測報告應對關鍵指標(含關鍵材料)進行界定,關鍵指標主要包括柄的類型及尺寸精度要求、 工作部分的材質及尺寸精度控制,徑向跳動和頸部強度及產品的耐腐蝕性等。
本指導原則由廣東省藥品監督管理局審評認證中心編寫并負責解釋。

站點聲明
本網站所提供的信息僅供參考之用,并不代表本網贊同其觀點,也不代表本網對其真實性負責。圖片版權歸原作者所有,如有侵權請聯系我們,我們立刻刪除。如有關于作品內容、版權或其它問題請于作品發表后的30日內與本站聯系,本網將迅速給您回應并做相關處理。
鄭州思途醫療科技有限公司專注于醫療器械產品政策與法規規事務服務,提供產品注冊備案申報代理、臨床試驗、體系建立輔導、分類界定、申請創新辦理服務。
為深入貫徹落實中共中央辦公廳、國務院辦公廳印發的《關于深化審評審批制度改革鼓勵藥品醫療器械創新的意見》(廳字〔2017〕42號),按照國家藥品監督管理局《關于擴大醫療器械
為規范醫療器械注冊人跨區域委托生產的監督管理,推進長江三角洲區域醫療器械跨區域監管,根據《中共中央辦公廳國務院辦公廳關于深化審評審批制度改革鼓勵藥品醫療器械創新的意見》《
附件:血液透析用水處理設備注冊審查指導原則(2024年修訂版)(2024年第19號).doc血液透析用水處理設備注冊審查指導原則(2024年修訂版)本指導原則旨在指導注冊申請人對血液透析用水處理設備注冊申報資料的準備及撰寫,同時也為技術審評部門提供參考。本指導原則是對血液透析用水處理設備的一般要求,注冊申請人依據產品的具體特性確定其中內容是否適用。若不適用,要具體闡述理由及相應的科學依據,并依據產
本指導原則旨在幫助和指導注冊申請人對一次性使用腹部穿刺器注冊申報資料進行準備,以滿足技術審評的基本要求。同時有助于審評機構對該類產品進行科學規范的審評,提高審評工
附件:重組膠原蛋白創面敷料注冊審查指導原則(2023年第16號).doc重組膠原蛋白創面敷料注冊審查指導原則本指導原則旨在指導注冊申請人準備及撰寫重組膠原蛋白創
國家藥監局關于發布免于臨床試驗的體外診斷試劑臨床評價技術指導原則的通告(2021年第74號)發布時間:2021-09-24為指導體外診斷試劑的臨床評價工作,根據
國家市場監督管理總局令 第47號 《醫療器械注冊與備案管理辦法》已經2021年7月22日市場監管總局第11次局務會議通過,現予公布,自2021年10月1日起施行。 附件: 醫療器械注冊與備案管
國家藥監局藥審中心關于發布《抗腫瘤藥物臨床試驗中SUSAR分析與處理技術指導原則》的通告(2024年第42號) 發布日期:20241010
國家藥監局器審中心關于發布影像型超聲診斷設備(第三類)注冊審查指導原則(2023年修訂版)的通告(2024年第29號)發布時間:2024-10-14為進一步規范
附件:一次性使用醫用沖洗器產品注冊審查指導原則(2022年第41號).doc一次性使用醫用沖洗器產品注冊審查指導原則本指導原則旨在指導注冊申請人對一次性使用醫用
行業資訊
知識分享
八年
醫療器械服務經驗
聯系思途,免費獲得專屬《落地解決方案》及報價
咨詢相關問題或咨詢報價,可以直接與我們聯系
思途CRO——醫療器械注冊臨床第三方平臺
